|
|
|
|
|
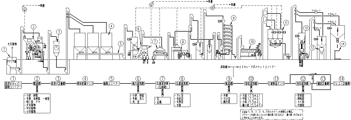
選別フロー |
 |
|
|
主要機器 |
|
A |
E |
F |
G |
H |
I |
K |
|
|
粗選機 |
風力選別機 |
比重選別機(石取機) |
比重選別機 |
転選機 |
粒径選別機 |
色彩選別機 |
|
|
 |
 |
 |
 |
 |
 |
 |
|
|
能力(T/H) |
型式 |
能力(T/H) |
型式 |
能力(T/H) |
型式 |
能力(T/H) |
型式 |
能力(T/H) |
型式 |
能力(T/H) |
型式 |
能力(kg/H) |
型式 |
|
|
3 |
MH-2251 |
1〜3 |
MH-1935 |
0.5〜1 |
MH-311 |
1 |
MH-512 |
0.5 |
MH-9030S |
1 |
MH-612 |
400 |
HE-5 |
|
|
7 |
MH-2253 |
3〜4 |
MH-1936 |
1〜2 |
MH-312 |
2 |
MH-513 |
1 |
MH-9040S |
2 |
MH-613 |
800 |
HE-10 |
|
|
10 |
MH-2255 |
5〜6 |
MH-1937 |
2〜3 |
MH-313 |
3 |
MH-514 |
1 |
MH-9230S |
3 |
MH-614 |
1600 |
HE-20 |
|
|
20 |
MH-2260 |
7〜8 |
MH-1938 |
4〜6 |
MH-314 |
4 |
MH-525 |
1.5 |
MH-9240S |
4〜6 |
MH-615 |
2000 |
HE-25 |
|
|
|
|
|
6〜8 |
MH-315 |
5 |
MH-526 |
2 |
MH-9250S |
|
|
|
|
|
|
|
|
|
8〜10 |
MH-316 |
6 |
MH-527 |
2.4 |
MH-9260S |
|
|
|
|
|
|
|
|
|
10〜12 |
MH-317 |
|
|
2.8 |
MH-9270S |
|
|
|
|
|
|
|
|
|
12〜14 |
MH-318 |
|
|
3.2 |
MH-9280S |
|
|
|
|
|
|
|
|
|
|
|
|
|
3.6 |
MH-9290S |
|
|
|
|
|
|
|
|
|
|
|
|
|
4 |
MH-92100S |
|
|
|
|
|
|
|
|
 |
上記は参考例です。ご要望があれば別途御連絡下さい。ご要望に応じた御提案をさせていただきます。 |
|
|
|
|
|
|
|
<直接このページに来られた方へ>
このページは原島電機工業のウェブページです。
当社製品(選別機等)に興味のある方は下をクリックして下さい。
 |
|